Ritchie Omni 3
Home » Our Products »
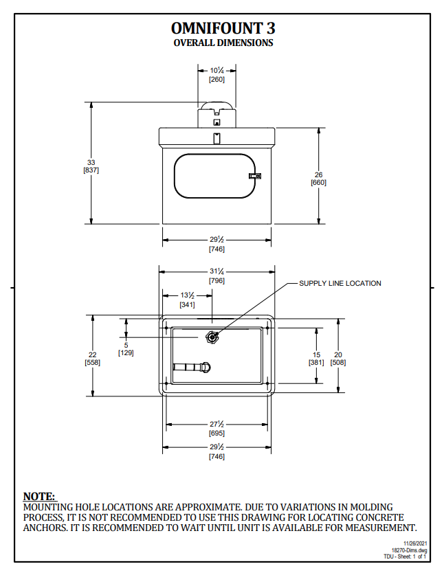
OmniFount blends technology from both of Ritchie's traditional stainless-steel units and their insulated poly units to provide the premier livestock fountain. Designed with animal safety in mind, the Omni 3 features smooth rounded edges and a fully insulated casing for energy efficiency. The stainless-steel trough features thermostatically controlled heat elements that are attached to the underside for frost free service even under the most severe winter conditions. The Omni 3 is designed for larger herds, and its fast refill valve will provide fresh water to 100 beef cattle or 50 dairy.




